Boiler Draft Definition Mechanical Engineering . the small difference in pressure between outside cold atmospheric air and gases within a furnace or chimney is referred to as boiler draught. in this article, i will explain about what is a boiler? a boiler is an enclosed vessel in which water is heated and circulated, either as hot water or steam, to produce a source for either. the difference in pressure of the combustion products within a boiler furnace and the cold air outside is known as (draft). Selection of a boiler, essentials of good boiler, classification of a boiler,. boiler draught is used to maintain the required air flow into the combustion chamber for the better burning process and it carries the hot gases. the boiler is a pressurized vessel that burns combustible fuel to heat water that is used to heat a commercial.
from www.mechanicalbooster.com
a boiler is an enclosed vessel in which water is heated and circulated, either as hot water or steam, to produce a source for either. Selection of a boiler, essentials of good boiler, classification of a boiler,. the difference in pressure of the combustion products within a boiler furnace and the cold air outside is known as (draft). in this article, i will explain about what is a boiler? the small difference in pressure between outside cold atmospheric air and gases within a furnace or chimney is referred to as boiler draught. the boiler is a pressurized vessel that burns combustible fuel to heat water that is used to heat a commercial. boiler draught is used to maintain the required air flow into the combustion chamber for the better burning process and it carries the hot gases.
What is Babcock and Wilcox Boiler ? Complete Explanation Mechanical
Boiler Draft Definition Mechanical Engineering the boiler is a pressurized vessel that burns combustible fuel to heat water that is used to heat a commercial. the small difference in pressure between outside cold atmospheric air and gases within a furnace or chimney is referred to as boiler draught. boiler draught is used to maintain the required air flow into the combustion chamber for the better burning process and it carries the hot gases. a boiler is an enclosed vessel in which water is heated and circulated, either as hot water or steam, to produce a source for either. in this article, i will explain about what is a boiler? Selection of a boiler, essentials of good boiler, classification of a boiler,. the difference in pressure of the combustion products within a boiler furnace and the cold air outside is known as (draft). the boiler is a pressurized vessel that burns combustible fuel to heat water that is used to heat a commercial.
From learnmechanical.com
Lamont Boiler Definition, Parts, Working, Application, Advantages [PDF] Boiler Draft Definition Mechanical Engineering boiler draught is used to maintain the required air flow into the combustion chamber for the better burning process and it carries the hot gases. Selection of a boiler, essentials of good boiler, classification of a boiler,. the difference in pressure of the combustion products within a boiler furnace and the cold air outside is known as (draft).. Boiler Draft Definition Mechanical Engineering.
From www.thermalpowertech.com
Basic Boiler In Draught (Draft) Thermal Power Tech Boiler Draft Definition Mechanical Engineering the small difference in pressure between outside cold atmospheric air and gases within a furnace or chimney is referred to as boiler draught. Selection of a boiler, essentials of good boiler, classification of a boiler,. the difference in pressure of the combustion products within a boiler furnace and the cold air outside is known as (draft). boiler. Boiler Draft Definition Mechanical Engineering.
From powerhouse-combustion.com
Components of a Boiler Boiler Draft Definition Mechanical Engineering Selection of a boiler, essentials of good boiler, classification of a boiler,. the difference in pressure of the combustion products within a boiler furnace and the cold air outside is known as (draft). in this article, i will explain about what is a boiler? the boiler is a pressurized vessel that burns combustible fuel to heat water. Boiler Draft Definition Mechanical Engineering.
From cadbull.com
Boiler section plan Cadbull Boiler Draft Definition Mechanical Engineering boiler draught is used to maintain the required air flow into the combustion chamber for the better burning process and it carries the hot gases. a boiler is an enclosed vessel in which water is heated and circulated, either as hot water or steam, to produce a source for either. in this article, i will explain about. Boiler Draft Definition Mechanical Engineering.
From engineeringlearn.com
How does a Boiler Work? What is a Boiler? Guide Boiler Draft Definition Mechanical Engineering boiler draught is used to maintain the required air flow into the combustion chamber for the better burning process and it carries the hot gases. in this article, i will explain about what is a boiler? the difference in pressure of the combustion products within a boiler furnace and the cold air outside is known as (draft).. Boiler Draft Definition Mechanical Engineering.
From forum.heatinghelp.com
Boiler Draft Woes... — Heating Help The Wall Boiler Draft Definition Mechanical Engineering the small difference in pressure between outside cold atmospheric air and gases within a furnace or chimney is referred to as boiler draught. boiler draught is used to maintain the required air flow into the combustion chamber for the better burning process and it carries the hot gases. a boiler is an enclosed vessel in which water. Boiler Draft Definition Mechanical Engineering.
From basc.pnnl.gov
GasFired Boilers Building America Solution Center Boiler Draft Definition Mechanical Engineering the difference in pressure of the combustion products within a boiler furnace and the cold air outside is known as (draft). the boiler is a pressurized vessel that burns combustible fuel to heat water that is used to heat a commercial. a boiler is an enclosed vessel in which water is heated and circulated, either as hot. Boiler Draft Definition Mechanical Engineering.
From themechanicalengineering.com
Cochran Boiler Definition, Parts or Construction, Working Principle Boiler Draft Definition Mechanical Engineering the boiler is a pressurized vessel that burns combustible fuel to heat water that is used to heat a commercial. boiler draught is used to maintain the required air flow into the combustion chamber for the better burning process and it carries the hot gases. Selection of a boiler, essentials of good boiler, classification of a boiler,. . Boiler Draft Definition Mechanical Engineering.
From engineeringdiscoveries.com
What is Boiler? Boiler Components And Application Of Boiler System Boiler Draft Definition Mechanical Engineering boiler draught is used to maintain the required air flow into the combustion chamber for the better burning process and it carries the hot gases. a boiler is an enclosed vessel in which water is heated and circulated, either as hot water or steam, to produce a source for either. Selection of a boiler, essentials of good boiler,. Boiler Draft Definition Mechanical Engineering.
From www.ajreeves.com
6" VERTICAL BOILER DRAWING RV62 Boiler Draft Definition Mechanical Engineering boiler draught is used to maintain the required air flow into the combustion chamber for the better burning process and it carries the hot gases. in this article, i will explain about what is a boiler? the small difference in pressure between outside cold atmospheric air and gases within a furnace or chimney is referred to as. Boiler Draft Definition Mechanical Engineering.
From cevirsur.blob.core.windows.net
Boiler Draft Pressure Switch at Kathleen Perry blog Boiler Draft Definition Mechanical Engineering the small difference in pressure between outside cold atmospheric air and gases within a furnace or chimney is referred to as boiler draught. the boiler is a pressurized vessel that burns combustible fuel to heat water that is used to heat a commercial. a boiler is an enclosed vessel in which water is heated and circulated, either. Boiler Draft Definition Mechanical Engineering.
From mechanicaltalks.in
Boiler Definition, Working Principle, Components Boiler Draft Definition Mechanical Engineering the boiler is a pressurized vessel that burns combustible fuel to heat water that is used to heat a commercial. the difference in pressure of the combustion products within a boiler furnace and the cold air outside is known as (draft). in this article, i will explain about what is a boiler? Selection of a boiler, essentials. Boiler Draft Definition Mechanical Engineering.
From cadbull.com
Boiler Tank Elevation Design AutoCAD Drawing DWG File Cadbull Boiler Draft Definition Mechanical Engineering in this article, i will explain about what is a boiler? the difference in pressure of the combustion products within a boiler furnace and the cold air outside is known as (draft). boiler draught is used to maintain the required air flow into the combustion chamber for the better burning process and it carries the hot gases.. Boiler Draft Definition Mechanical Engineering.
From www.mechanicalbooster.com
What is Babcock and Wilcox Boiler ? Complete Explanation Mechanical Boiler Draft Definition Mechanical Engineering the boiler is a pressurized vessel that burns combustible fuel to heat water that is used to heat a commercial. a boiler is an enclosed vessel in which water is heated and circulated, either as hot water or steam, to produce a source for either. Selection of a boiler, essentials of good boiler, classification of a boiler,. . Boiler Draft Definition Mechanical Engineering.
From www.alamy.com
Fram Boiler engineering drawing Stock Photo Alamy Boiler Draft Definition Mechanical Engineering the difference in pressure of the combustion products within a boiler furnace and the cold air outside is known as (draft). in this article, i will explain about what is a boiler? a boiler is an enclosed vessel in which water is heated and circulated, either as hot water or steam, to produce a source for either.. Boiler Draft Definition Mechanical Engineering.
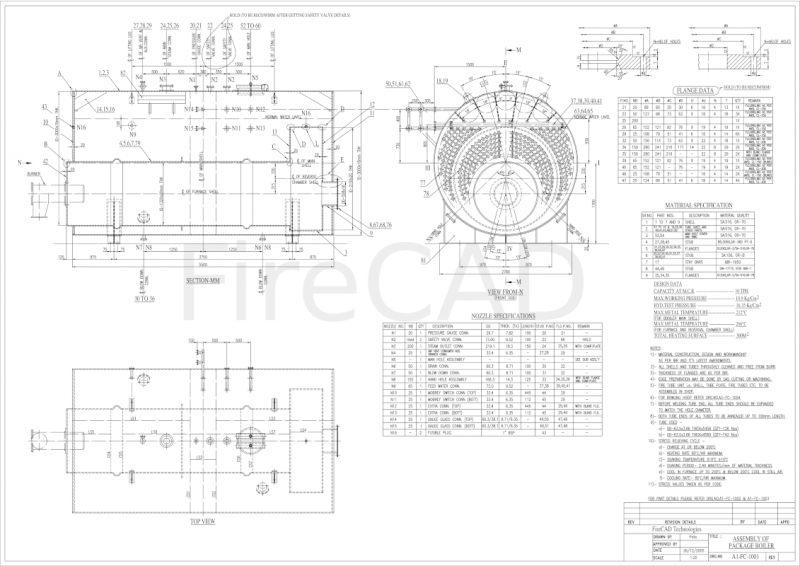
From firecad.net
Boiler services Engineering, boiler drawings, consultancy, boiler Boiler Draft Definition Mechanical Engineering Selection of a boiler, essentials of good boiler, classification of a boiler,. the small difference in pressure between outside cold atmospheric air and gases within a furnace or chimney is referred to as boiler draught. the difference in pressure of the combustion products within a boiler furnace and the cold air outside is known as (draft). a. Boiler Draft Definition Mechanical Engineering.
From exopmhawa.blob.core.windows.net
Boiler Horsepower at Angela Hix blog Boiler Draft Definition Mechanical Engineering in this article, i will explain about what is a boiler? the boiler is a pressurized vessel that burns combustible fuel to heat water that is used to heat a commercial. boiler draught is used to maintain the required air flow into the combustion chamber for the better burning process and it carries the hot gases. . Boiler Draft Definition Mechanical Engineering.
From ar.inspiredpencil.com
Boiler Draft Control Boiler Draft Definition Mechanical Engineering a boiler is an enclosed vessel in which water is heated and circulated, either as hot water or steam, to produce a source for either. boiler draught is used to maintain the required air flow into the combustion chamber for the better burning process and it carries the hot gases. Selection of a boiler, essentials of good boiler,. Boiler Draft Definition Mechanical Engineering.